Potrebujete pomoč? Pokličite 051 639 008 Poštino nad 100 Eur zneska krijemo mi!
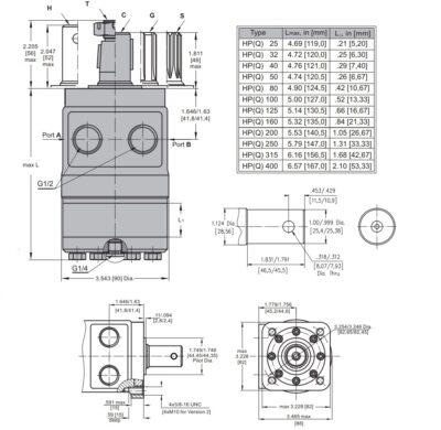
HIDROMOTOR HPQ 100 H2UPE
187,00€ Vključeni DDV
1 na zalogi
- Vsebuje »U« tesnilo gredi za do 200 barov kar v kombinaciji z vgrajenim kavitacijskim ventilom omogoča uporabo brez lekaže,
- Iztisnina 100 cm3/o,
- Priključki: G ½,
- Cilindrična gred Ø 25,4mm s skoznjo luknjo (34 daNm),
- Prirobnica štiri vijake z delilnim krogom 82,5mm in centrirnim obročem Ø 44,4 mm.
Specifikacija za hidromotor HP.
| Teža | 5,3 kg |
|---|---|
| Dimenzije | 18 × 9 × 9 cm |










