Potrebujete pomoč? Pokličite 051 639 008 Poštino nad 100 Eur zneska krijemo mi!
HIDROMOTOR MP CD
Cenovni razpon: od 115,00€ do 260,00€ Vključeni DDV
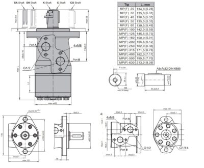
- Vsebuje »D« tesnilo gredi za do 150 barov kar v kombinaciji z vgrajenim kavitacijskim ventilom omogoča uporabo brez lekaže,
- Izbira iztisnin od 25 do 630 cm3/o,
- Priključki: G ½,
- Cilindrična gred Ø 25mm z moznikom A8x7x32 (34 daNm),
- Ovalna prirobnica SAE A, dva vijaka, s centrirnim obročem Ø 82,5 mm.
Specifikacija za hidromotor MP.
| Teža | 56-9,5 kg |
|---|---|
| Dimenzije | 19-26 × 13 × 9 cm |











