Potrebujete pomoč? Pokličite 051 639 008 Poštino nad 100 Eur zneska krijemo mi!
HIDROMOTOR EURO X2M5501APPE
165,00€ Vključeni DDV

2 na zalogi
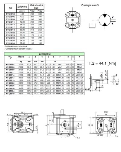
Zobniški hidromotor 22 cm3/o:
- prirobnica EURO s centrirnim obročem ø36,5mm po Plessey,
- gred cilindrična ø15mm (44Nm),
- priključki Euro delilni krog 40mm, lekaža 1/4,
- maksimalni stalni tlak do 200 bar (glej sliko),
- vrtenje 700-3000 o/min (glej sliko),
- 0,5 bar max. tlak v lekaži,
- obojestransko vrtenje
- za vršičkarje.
| Teža | 3 kg |
|---|---|
| Dimenzije | 16 × 12 × 9 cm |
| iztisnina (cm3/o) | 6,3, 8,2, 11,3, 14, 16, 19, 22,5, 25, 27,9 |








