Potrebujete pomoč? Pokličite 051 639 008 Poštino nad 100 Eur zneska krijemo mi!
HIDROMOTOR HW 535 T2 konična gred
270,00€ Vključeni DDV
3 na zalogi
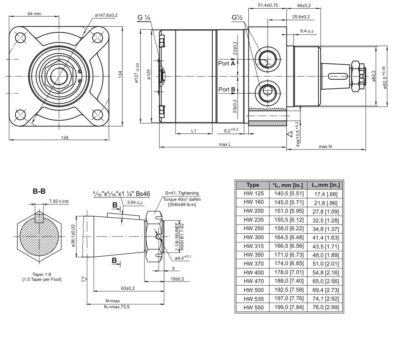
- Z vgrajenim kavitacijskim ventilom,
- Izbira ztisnin od 125 do 550 cm3/o,
- Priključki: G½,
- Konična gred 1:10 z moznikom 5/16″x5/16″x1 ½” (95 daNm),
- Prirobnica za štiri vijake, delilni krog Ø 147,6mm in centrirnim obročem Ø 82,5mm.
Specifikacija za hidromotor HW.
| Teža | 19 kg |
|---|---|
| Dimenzije | 30 × 14 × 14 cm |











